为规范校区档案工作,加强档案信息化建设,根据《高等学校档案管理办法》和《中国石油大学(北京)克拉玛依校区档案管理工作规范(试行)》,科研项目材料的具体归档要求如下:
※归档材料要求原件归档;确实无法提供原件的,复印件归档时要对照原件加盖公章;无原件且无法加盖公章时,请在卷内备考表中写明复印件归档原因、原件存放单位地址及相关联系方式等信息。
※科研类档案须在项目验收后两个月内归档。
1.常规项目:
(1)科研成果登记表
(2)科研合同(如无原件请在复印件上加盖科技与信息部公章;如果是横向课题,需加盖已缴纳印花税章)
(3)预算书、协议变更等
(4)验收意见
(5)研究报告、附图册(如无原件请在复印件上加盖校区公章,超过10张纸需胶装成册,不能含有订书钉)
(6)年度进展报告(需要加盖校区公章)
(7)外协合同(如无原件请在复印件上加盖科技与信息部公章)
(8)外协单位资质审查表
(9)外协结题登记表
(10)外协研究报告(加盖协作单位公章)
(11)审计情况说明
(12)其它与本次科研项目有关的内容(包括课题查新报告、应用成果证明、自主知识产权情况说明、获奖证书等,以上均须原件)
●注:(1)、(2)、(4)、(5)为必须提交材料。
包含外协项目的科研项目除了提交上述必交的材料外,还须提交(7)-(10)。如有多个外协,请按照此顺序多次重复。
每份科研项目必须提交《卷内目录》、《卷内备考表》,填写规范如下:
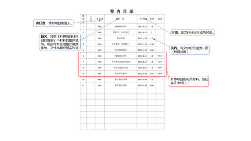
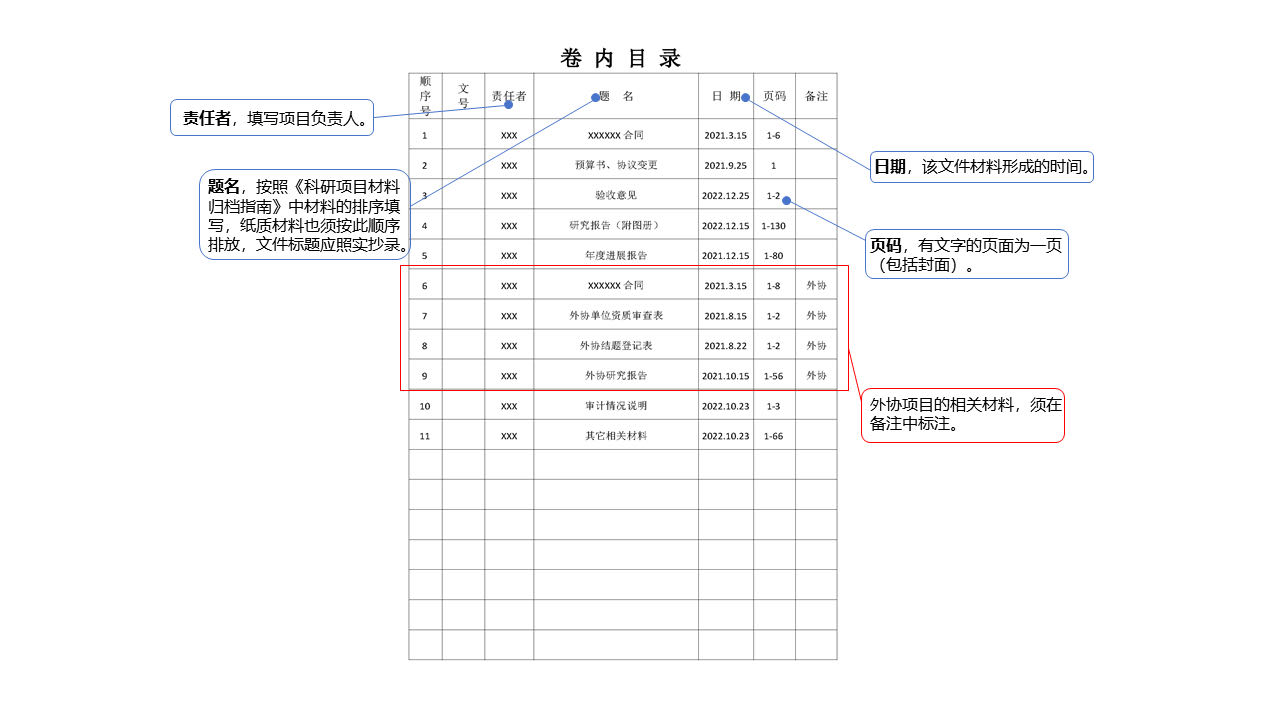
●《卷内目录》(日期按照文件最终形成日期填写、页码以有文字内容的页面为一页的方式统计(封面有文字也统计在内))
●《卷内目录》中文件按照时间顺序依次填写、题名应按照材料实际标题填写
●《科研成果登记表》和《卷内备考表》不写入《卷内目录》
●《卷内备考表》(立卷人由整理及归档人签字、检查人由项目负责人签字,填写好时间)
●《卷内目录》和《卷内备考表》见附件。
2.基金项目:
(1)科研成果登记表
(2)申请书(如无原件请在复印件上加盖科技与信息部公章)
(3)批准通知及相关事项(如无原件请在复印件上加盖科技与信息部公章)
(4)计划任务书
(5)预算书
(6)结题通知
(7)研究报告、附图册(如无原件请在复印件上加盖校区公章,超过10张纸需胶装成册,不能含有订书钉)
(8)年度进展报告(需要加盖校区公章)
(9)外协合同(如无原件请在复印件上加盖科技与信息部公章)
(10)外协单位资质审查表
(11)外协结题登记表
(12)外协研究报告(加盖协作单位公章)
(13)审计情况说明
(14)其它与本次科研项目有关的内容(包括课题查新报告、应用成果证明、自主知识产权情况说明、获奖证书等,以上均须原件)
●注:(1)-(4)、(6)、(7)为必须提交材料。
包含外协项目的科研项目除了提交上述必交的材料外,还须提交(9)-(12)。如有多个外协,请按照此顺序多次重复。
每份科研项目必须提交《卷内目录》、《卷内备考表》,填写规范如下:
●《卷内目录》(日期按照文件最终形成日期填写、页码以有文字内容的页面为一页的方式统计(封面有文字也统计在内))
●《卷内目录》中文件按照时间顺序依次填写、题名应按照材料实际标题填写
●《科研成果登记表》和《卷内备考表》不写入《卷内目录》
●《卷内备考表》(立卷人由整理及归档人签字、检查人由项目负责人签字,填写好时间)
●《卷内目录》和《卷内备考表》见附件。
3.单独外协项目
(1)科研成果登记表
(2)外协合同(如无原件请在复印件上加盖科技与信息部公章)
(3)外协单位资质审查表
(4)外协结题登记表
(5)验收意见
(6)外协研究报告(加盖协作单位公章)
(7)审计情况说明
●注:(1)-(6)为必须提交材料。
每份科研项目必须提交《卷内目录》、《卷内备考表》,填写规范如下:
●《卷内目录》(日期按照文件最终形成日期填写、页码以有文字内容的页面为一页的方式统计(封面有文字也统计在内))
●《卷内目录》中文件按照时间顺序依次填写、题名应按照材料实际标题填写
●《科研成果登记表》和《卷内备考表》不写入《卷内目录》
●《卷内备考表》(立卷人由整理及归档人签字、检查人由项目负责人签字,填写好时间)
●《卷内目录》和《卷内备考表》见附件。
卷内目录填写示意图(单击放大)
卷内备考表填写示意图(单击放大)
附件:
1.
附件1:卷内目录
2.
附件2:卷内备考表

